L'étrier à âme intérieure ETNM155/130/2 permet un assemblage invisible. Le talon inférieur positionne l'étrier par rapport au bois, facilitant le montage des broches. Fixation sur bois massif, bois composite, bois lamellé-collé.
Etrier en acier galvanisé S250GD + Z275 suivant NF EN 10346, épaisseur 2 mm. Installation rapide et simple.
Mise en œuvre optimisée conforme aux Eurocodes.
Classe de protection 2 : ce produit est prévu pour être posé dans un espace abrité (non chauffé), par exemple une charpente ou un préau. L'humidité de l'air ambiant ne dépasse pas 85 % plus de quelques semaines par an.
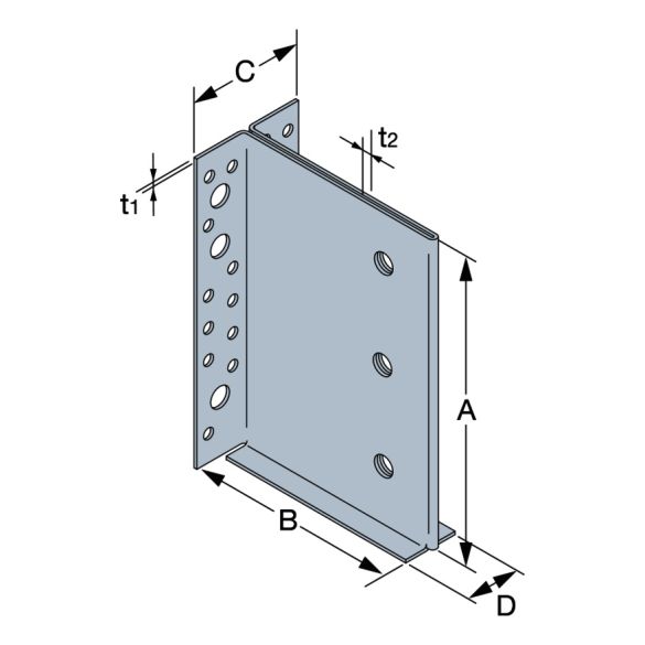
DIMENSIONS ET PERÇAGES
A = 155 mm ; B = 130 mm ; C = 70 mm ; t1 = 2 mm ; t2 = 5,5 mm.
Dimensions poutre :
Largeur min/max : 70/160 mm.
Hauteur max : 230 mm.
Perçages sur porteur : 6xØ13 et 15xØ5.
Perçages sur porté : 2xØ13.
FIXATIONS SUR PORTEUR BOIS
- Pointes annelées Ø4,0x50 mm ou vis Ø5,0x40 mm
- Tirefonds ou boulons Ø10 mm.
UTILISATION
Solives, pannes, poutres lisses, montants.

INSTALLATION
- Réaliser une entaille verticale dans la poutre portée (largeur 6 mm),
- Identifier la position des broches sur la poutre portée,
- Percer transversalement la poutre portée pour y insérer les broches (Ø12 mm),
- Réaliser un lamage d’une profondeur de 4 mm dans le support. Ce lamage n’est pas obligatoire, il permet d’améliorer l’esthétique de l’assemblage,
- Fixer l’étrier sur le support à l’aide de pointes ou de vis,
- Présenter la poutre portée de manière à aligner les perçages de la poutre portée et ceux de l’étrier,
- Mettre en place les broches.